WOW !! MUCH LOVE ! SO WORLD PEACE !
Fond bitcoin pour l'amélioration du site: 1memzGeKS7CB3ECNkzSn2qHwxU6NZoJ8o
  Dogecoin (tips/pourboires): DCLoo9Dd4qECqpMLurdgGnaoqbftj16Nvp


Home | Publier un mémoire | Une page au hasard

 > 

Mise en place d'une application web pour la gestion de carrière des agents dans un établissement public cas de la société nationale des hydrocarbures du Congo


par Michel Mananasi
Institut supérieur pédagogique de la Gombe  - Licence 2025
  

précédent sommaire

Bitcoin is a swarm of cyber hornets serving the goddess of wisdom, feeding on the fire of truth, exponentially growing ever smarter, faster, and stronger behind a wall of encrypted energy

A. Noeud

Un noeud correspond à une ressource matérielle de traitement sur laquelle des artefacts seront mis en oeuvre pour l'exploitation du système. Les noeuds peuvent être interconnectés pour former un réseau d'éléments physique.

89

Formalisme : Un noeud ou une instance de noeud se présente par un cube ou parallélépipède.

Figure 44 : Représentation de noeuds

Il est possible de représenter des noeuds spécialisés. UML propose en standard les deux types de noeuds suivants :

y' Unité de traitement : Ce noeuds est une unité physique disposait de capacité de traitement des artefacts peuvent être déployés. Une unité de traitement est un noeud spécialisé caractérisé par le mot-clé (( devise » ;

y' Environnement d'exécution : ce noeud représente un particulier sur lequel certains artefacts peuvent être exécutés. Un environnement d'exécution est un noeud spécialisé caractérisé par le mot-clé (( exécution environnement ».

B. Artefacts

Un artefact est la spécification d'un élément physique qui est utilisé ou produit par le processus de développement du logiciel ou par le déploiement du système. C'est donc un élément concret comme par exemple : un fichier, un exécutable ou une table d'une base de données.

Station Administration

Module Matériel et logiciel

Module

pprovisionnement

Module
Administration

Module
d'entretient

Module Profil

Application

Gestion d'inscription

Station Administration

Serveur d'utilisateur

Station Utilisateur

Module Utilisateur

Module Utilisateur

Requête

Réponse

BDD
GESTION
PERCEPTION DE
FRAIS SCOLAIRE

Base de données

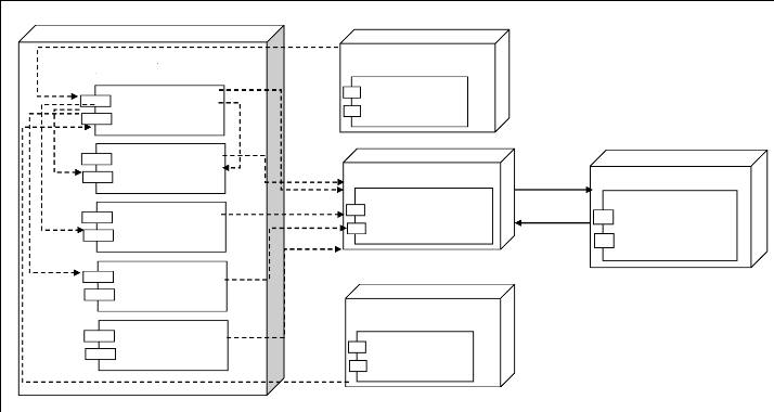
Figure 45 : Diagramme de déploiement

90

91

CONCLUSION

Nous voici au terme de notre présent travail qui a porté sur « Mise en place d'un Système d'information informatisé pour la gestion scolaires », processus inscription des élèves, paiement de frais afin de trouver des solutions aux difficultés présentées. Cas de Complexe Scolaire la CONFIANCE

Nous croyons en cette analyse, que cette étude va considérablement améliorer la gestion de scolaire car nous avons mis en place une base de données et une application performante afin des stockées toutes les données.

Pour l'élaboration de ce travail nous avons recourus aux méthodes :

> La méthode Structuro-fonctionnelle ;

> La méthode Historique ; > La méthode Analytique ; > Et le Processus Unifié (UP)

Ainsi qu'aux techniques telles que :

> Technique d'interview ;

> Technique d'observation ; > Technique documentaire.

Afin de relever les anomalies du système existant.

Ce site web permettra à une meilleure visibilité sur le plan international et national et répondre favorablement aux attentes des utilisateurs Complexe Scolaire la CONFIANCE pour avoir facilité les inscription.

En analysant le fonctionnement du système, nous avons vu qu'il y avait moyen d'éliminer des interventions humaines. Ce travail est une oeuvre humaine ; il ne peut donc l'être sans quelques imperfections ; ainsi nous sollicitons l'indulgence de tous nos lecteurs pour les quelques erreurs qu'ils auraient constatées en nous lisant et restons ouvert à toute suggestion qui permettrait d'améliorer ce travail.

Ainsi, nous demandons aux autorités de Complexe Scolaire la CONFIANCE, précisément le service qui s'occupe du la gestion scolaire, de se servir de ce logiciel qui du reste est un outil de travail capable de rentabiliser ce dont ils ont besoin.

92

REFERENCES BIBLIOGRAPHIQUES

1. Ouvrages

a. Antoine Zimmermann : Conception de Systèmes d'Information, École Nationale Supérieure des Mines de Saint-Étienne, Pôle informatique 2013/2014

b. BERNARD PASCAL : Introduction au Système de Gestion de Base de Données et aux Base de Données : Formation « Gestion des données scientifiques : stockage et consultation en utilisant des bases de données » 24 au 27 /06/08

c. BOUBKER SBIHI ET REDOUANE EL YAAGOUBI : analyse et conception d'un système, d'information avec la méthode merise : cas d'une bibliothèque universitaire, école des sciences de l'information, Ed Parie, 18 Sep 2005

d. GUILLAUME RIVIERE : Informatisation du Système d'Information, éd. - ESTIA 2è année -, Dernière révision : Janvier 2017

e. Jacques Lonchamp : Introduction aux systèmes informatiques (Architectures, composants, mise en oeuvre), éd. Dunod, 2011

f. KALONJI MPANGA, Méthode à la recherche scientifique, Ed. Crs. 2000. p6

g. KUYUNSA ; BG, SHONGA KS, Initiation aux méthodes de la recherche en science sociale. Ed. Puez 1999. P 33

h. MUNZIMBA ENS ENZU, Notes de cours de l'initiation à la recherche scientifique, cours de 2ème graduat, ISC/BDD, 2014-2015, (inédit)

i. MUSANGU LUKA, Analyse et conception des applications objets avec Le Processus Unifié, Kinshasa, Editions de l'Université Protestante au Congo, Juillet 2017

j. NGANG BILOUNGA Jean Jacques : Méthode de Conception des Systèmes d'Information, éd Eyrolles, 2000

k. Odile PAPINI : Bases de données, éd. POLYTECH Université d'Aix-Marseille

l. ROQUES P. et VALLEE F, UML 2 en action de l'analyse des besoins à la conception, Edition EYROLLES, 2005.

m. ROGER TOMLIN, la mise en place de l'information dans une entreprise, Paris, Ed, d'organisation, 1972

n. ROQUES P. et VALLEE F, UML 2 en action de l'analyse des besoins à la conception, Edition EYROLLES, 2005.

o. Thierry Lecroq : Bases de données, éd : Thierry Lecroq - Université de Rouen

2. Notes de cours

a. KINKELA Initiation à la Recherche Scientifique IRS ISG-KIN 2020

b. Méthode Analyse informatique, Note de cour Méthode Analyse Informatique, G2 Info ISG/KIN, 2017-2018

c. MUSANGU LUKA MARCEL, Notes des cours de la Conception des Systèmes d'Information, L2, I.S.C, 2020

93

d. Nathanaël KASORO MULENDA, Notes des cours de la Programmation Orienté Objet, G3 Info ISP/Gombe, 2019-2020

e. S. Sumathi, S. Esakkirajan,Fundamentals of Relational Database Management Systems,Springer - 2007, (ISBN 9783540483977)

f. TSHILUMBA Louis, Note de cours d'Initiation à la recherche scientifique, G2 Info ISP/Gombe, 2014-2015

3. Webographie

a. ENCYCLOPEDIE COMMENTCAMARCHE, Notions sur le langage PHP

b. ENCYCLOPEDIE WIKIPEDIA.ORG, serveur web

c. ENCYCLOPEDIE WIKIPEDIA.ORG, Programmation web

d. Microsoft Encarta 2009

4. Dictionnaire

a. Larousse (2019). Ed. Paris

94

TABLE DES MATIERES

ÉPIGRAPHE . i

DEDICACES ii

REMERCIEMENTS ..iii

LISTE DES ABREVIATIONS ET SIGLES v

LISTE DES FIGURES vi

LISTE DE TABLEAUX viii

CHAPITRE I : INTRODUCTION 1

I.1. Mise en contexte 1

I.2. Problématique 2

I.2.1. Objectif de la recherche 3

I.2.2. Question de la recherche 3

I.2.3. Hypothèse 3

I.3. Choix et intérêt du sujet 4

I.4. Délimitation du sujet 4

I.5. Méthode et technique 4

I.5.1. Méthodologie 4

I.5.2. Techniques 5

I.6. Subdivision du travail 5

CHAPITRE II : CADRE CONCEPTUEL 6

Section 1. Notions sur le système 6

1.1 Définition 6

1.2 Sortes des systèmes 6

1.2.1 Le système d'informatique 6

1.2.2 Qualité d'un système d'informatique 6

1.2.3 Typologie des systèmes d'informatiques 7

a. Selon le degré organisation 7

b. Selon le degré d'automatisation 7

c. Selon l'architecture de traitement 7

1.2.4 Le système d'information 7

1.2.5 Type des systèmes d'information 8

a. Le système de pilotage : (appelé également système de décision), il a comme

activités 8

b. Système d'information qui a comme activité : 8

c. Système opérant qui a pour mission : 8

1.2.6 Rôle d'un système d'information 9

a. Objectif d'un système d'information 9

b. Qualité d'un système d'information 9

Section 2. Notions sur les données 10

95

a. Définition 10

2.1 Bases de données 10

a. Définition d'une base de données (BDD) 10

2.2 Sortes des bases de données 10

I.2.2.1. Les bases de données hiérarchiques 11

I.2.2.2. Les bases de données réseaux 11

I.2.2.3. Les bases de données relationnelles 11

I.2.2.4. Les bases de données objet 11

2.3 Système de gestion de bases de données (SGBD) 12

a. Définition 12

b. Les SGBD les plus utilisés 12

2.4 Objectif d'un système de gestion de bases de données (SGBD) 13

CHAPITRE III. DEMARCHE DU PROJET 14

Section 1 : Cadre d'étude 14

1.1. Structure Géographique du Complexe Scolaire LA CONFIANCE 14

1.2. Présentation de l'école 14

1.3. Brève historique du Complexe Scolaire la CONFIANCE 14

1.4. Structure et fonctionnement du Complexe Scolaire LA CONFIANCE 16

1.4.1. Préfecture 16

1.4.2. La Direction des Etudes 16

1.4.3. La Direction de Discipline 16

1.4.4. Le secrétariat 16

1.4.5. Intendance 17

1.4.6. Corps professoral 17

1.4.7. Les travailleurs 17

1.5. Organigramme générale du COMPLEXE SCOLAIRE LA CONFIANCE 18

Section 2 : Méthode conceptuel projet 19

2.1. Faisabilité opérationnelle 19

2.1.1. Planning prévisionnelle 19

2.1.2. Choix de la méthode d'ordonnancement 20

2.1.3. Identification et dénombrement des tâches 21

2.1.4. Planning d'exécution des taches et estimation des durés 21

2.1.5. Cucul des ranges 22

2.1.6. Calcul des dates 22

a. Date au plus tôt (Dto) 22

b. Date au plus tard (Dta) 23

2.1.7. Détermination des marges 23

2.1.8. Détermination de chemin critique. 24

96

a. Présentation de graphe avec la méthode MPM 25

b. Diagramme de GANTT 27

2.2. Faisabilité financière 27

Section 3. Notions sur la méthode processus unifié (UP) 29

3.1 Définitions 29

3.2 UP est piloté par les cas d'utilisation 30

3.2.1 Présentation 30

3.2.2 Stratégie des cas d'utilisation : 30

3.2.3 UP est centré sur l'architecture 31

3.2.4 Liens entre cas d'utilisation et architecture 32

3.2.4.1 Marche à suivre 32

3.2.4.2 UP est itératif et incrémental 32

3.2.4.3 Activités et Phases 33

3.2.4.3 Les Activités 34

3.2.4.4 Les Phases 34

3.2.5 Le cycle de vie du processus unifié 35

CHAPITRE IV : ANALYSE ET CONCEPTION 38

Section 1 : Modélisation statique 38

I.1. Capture de besoin 38

1.1.1. Capture de besoin fonctionnels 38

1.1.2. Les besoins fonctionnels de notre système 39

1.1.3. Capture de besoin non fonctionnels 40

I.2. Diagramme de cas d'utilisation 40

1.2.1. Les éléments de modélisation des cas d'utilisation 41

1.2.2. Relations dans les diagrammes de cas d'utilisation 42

1.2.3. Construction du diagramme de cas d'utilisation 43

1.2.4. Présentation du diagramme de cas d'utilisation 43

1.2.5. Diagramme de cas d'utilisation global 46

I.3. Capture de besoin techniques 47

1.3.1. Matériel de base 47

1.3.2. Architecture 47

1.3.2.1. Architecture Client/serveur 47

1.3.2.2. Architecture monoposte où simple tiers 48

1.3.2.3. L'architecture à 2 niveaux 48

1.3.2.4. L'architecture à 3 niveaux 48

1.3.2.5. Le serveur d'application (appelé également middleware) 49

1.3.2.6. Le serveur de données 49

1.3.2.7. Clients web 50

1.3.3. Choix de la plateforme de développement et SGBD 50

97

1.2.7.1. Plateforme de développement 50

1.2.7.2. Langage de programmation 51

1.2.7.3. SGBD 51

1.2.7.4. Un serveur web 52

1.2.7.5. Programmation web 52

I.4. Elaboration du système 53

1.4.1. Package « Gérer les utilisateurs » 54

1.4.2. Package « Gérer l'inscription » 55

1.4.3. Package « Gérer le paiement 56

I.5. Diagramme de classe 57

1.5.1. Définition 57

1.5.2. Concept d'objet 57

1.5.3. Recensement des règles de gestion 59

1.5.4. Identification des classes 59

1.5.6. La structure de la description des attributs 60

1.5.7. Elaboration du diagramme de classe 61

I.6. Présentation du schéma relationne 62

I.7. Diagramme composant 64

Section 2 : Modélisation dynamique 66

2.1. Diagramme de séquence 66

2.1.1. Conception du diagramme de séquence 67

2.1.2. Présentation de diagramme de séquence 68

A. Diagramme de séquence « Authentification » 68

B. Diagramme de séquence « Gérer les utilisateurs et les droits d'accès » 69

C. Diagramme de séquence « Gérer l'identification des élèves inscrit » 70

D. Diagramme de séquence « Gérer inscription » 71

E. Diagramme de séquence « Gestion de paiement frais » 72

2.2. Diagramme d'activité (DAC) 73

a. Diagramme d'activité « Authentification » 75

b. Diagramme d'activité « Gestion des utilisateurs et les droits d'accès » 76

c. Diagramme d'activité « Gestion des paiements de frais » 78

d. Diagramme d'activité « Gérer l'inscription des élèves » 79

CHAPITRE V : DEVELOPPEMENT DE L'APPLICATION 80

V.1. Présentation d'environnement de développement et du SGBD 80

V.1.1. Présentation d'environnement de développement 80

V.1.2. Langages utilizes 80

V.1.3. Présentation du SGBD 81

V.2. Le serveur de données 82

V.3. Codification 83

98

V.4. Presentation des interfaces 85

V.5. Test 87

V.6. Diagramme de déploiement 88

CONCLUSION 91

REFERENCES BIBLIOGRAPHIQUES 92

TABLE DES MATIERES 94

précédent sommaire






La Quadrature du Net

Ligue des droits de l'homme